7 Way Trailer Plug Wiring Diagram Ford F350 : Diagram 7 Way Wiring Diagram For F350 Full Version Hd Quality For F350 Solardiagrams Hotelrigelcatania It / Ford f250 trailer plug wiring diagram from www.ronstoyshop.com.
Dapatkan link
Facebook
X
Pinterest
Email
Aplikasi Lainnya
7 Way Trailer Plug Wiring Diagram Ford F350 : Diagram 7 Way Wiring Diagram For F350 Full Version Hd Quality For F350 Solardiagrams Hotelrigelcatania It / Ford f250 trailer plug wiring diagram from www.ronstoyshop.com.. Curt trailer wiring adapter 56070. Here are the standard wiring color sequence: 7 way trailer plug wiring diagram ford f350. This automobile is designed not only to travel one location to another but also to take heavy loads. 7 way trailer plug wiring diagram gmc wiring diagram collection.
Otherwise, the structure will not function as it ought to be. March 15, 2021 · 7 pin trailer wiring diagram by trafalgar d. 7 way plug wiring diagram standard wiring post purpose wire color tm park light green battery feed black rt right turnbrake light brown lt left turnbrake light red s trailer electric brakes blue gd ground white a accessory yellow this is the most common standard wiring scheme for rv plugs and the. Here s the diagram for 7 pin connector. White pin to your floor.
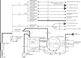
Diagram 7 Way Wiring Diagram For F350 Full Version Hd Quality For F350 Solardiagrams Hotelrigelcatania It from ww2.justanswer.com Auto konfigurieren, exklusive angebote erhalten und sparen. Curt trailer wiring adapter 56070 $ 69. This 2009 ford f350 trailer wiring diagram version is more acceptable for sophisticated trailers and rvs. I checked my 7 pin plug factory installed towing package on a 2005 f150 and the backup wire is black pink stripe not red. Dont know if this helps , standard seven way plug wiring diagram. 7 way plug wiring diagram standard wiring post purpose wire color tm park light green battery feed black rt right turnbrake light brown lt left turnbrake light red s trailer electric brakes blue gd ground white a accessory yellow this is the most common standard wiring scheme for rv plugs and the. Does anyone have a diagram of the plugs where the 7 prong wiring adapter plugs into the two factory plugs. March 15, 2021 · 7 pin trailer wiring diagram by trafalgar d.
Discussion starter · #1 · jan 7, 2010.
2017 ford f 350 platinum 67 dually with 5th wheel prep and camper package. Here are the standard wiring color sequence: 2016 ford f350 trailer wire harness and connector 2009 ford f350 trailer wire harness and connector 2007 ford f350 trailer wire harness and. 7 way plug wiring diagram standard wiring* post purpose wire color tm park light green (+) battery feed black rt right turn/brake light brown lt left turn/brake light red s trailer electric brakes blue gd ground white a accessory yellow this is the most common (standard) wiring scheme for rv plugs and the one used by major auto manufacturers today. Die besten neuwagen angebote direkt vergleichen. Literally, a circuit is the course that enables power to flow. Dont know if this helps , standard seven way plug wiring diagram. It shows the components of the circuit as simplified shapes, and the skill and signal contacts between the devices. This 2006 ford f 350 trailer wiring diagram version is much more suitable for sophisticated trailers and rvs. I checked my 7 pin plug factory installed towing package on a 2005 f150 and the backup wire is black pink stripe not red. Ford f250 trailer plug wiring diagram from www.ronstoyshop.com. Ford f350 trailer plug wiring diagram. It shows the components of the circuit as simplified shapes, and the faculty and signal associates in the midst of the devices.
7 way trailer plug wiring diagram ford f350. A wiring diagram usually gives instruction more or less the relative slope and. Dont wiring without us ford 7 pin trailer plug diagram. Get a 7 pin plug here: Just need to know what the wires in the factory plugs are so i can make sure they go to the correct leads in the 7 wire plug.
1999 2001 Ford F250 F350 Super Duty 4 7 Pin Tow Trailer Wiring Harness New Oem Ebay from i.ebayimg.com Discussion starter · #1 · jan 7, 2010. Here are the standard wiring color sequence: Collection of ford f350 trailer wiring diagram. Wiring diagram comes with a number of easy to adhere to wiring diagram guidelines. The safety and security of all individuals on or off the road, as well as those operating a mechanized lorry, depends on. This 2006 ford f 350 trailer wiring diagram version is much more suitable for sophisticated trailers and rvs. This junction box provides a fast, easy way to connect wires from the trailer connector to the trailer wiring. Just need to know what the wires in the factory plugs are so i can make sure they go to the correct leads in the 7 wire plug.
2016 ford f350 trailer wire harness and connector 2009 ford f350 trailer wire harness and connector 2007 ford f350 trailer wire harness and.
It shows the components of the circuit as simplified shapes, and the skill and signal contacts between the devices. Dont know if this helps , standard seven way plug wiring diagram. Makes replacing a trailer's connector simple. Wiring diagram comes with a number of easy to adhere to wiring diagram guidelines. Zahlen sie nicht zu viel! 7 way plug wiring diagram standard wiring post purpose wire color tm park light green battery feed black rt right turnbrake light brown lt left turnbrake light red s trailer electric brakes blue gd ground white a accessory yellow this is the most common standard wiring scheme. Here are the standard wiring color sequence: Black = +12 volt source (ie breakaway battery charge) orange = backup/auxillary. 2005 2007 ford super duty truck f 250 and f 350 factory installed 7 way if your 2005 2007 ford super duty truck already has the factory installed 7 way trailer connector the only part needed to. Die besten neuwagen angebote direkt vergleichen. Here s the diagram for 7 pin connector. 2016 ford f350 trailer wire harness and connector 2009 ford f350 trailer wire harness and connector 2007 ford f350 trailer wire harness and. Does anyone have a diagram of the plugs where the 7 prong wiring adapter plugs into the two factory plugs.
2017 ford f 350 platinum 67 dually with 5th wheel prep and camper package. Swithcing wires for trailer page 2 ford truck enthusiasts forums. 7 way trailer plug wiring diagram ford f350. Getting from point a to point b. Get a 7 pin plug here:
Factory 7 Pin Connector Ford Truck Enthusiasts Forums from www.ford-trucks.com 7 way trailer plug wiring diagram ford f350. Wiring diagram comes with a number of easy to adhere to wiring diagram guidelines. Makes replacing a trailer's connector simple. Otherwise, the structure will not function as it ought to be. Discussion starter · #1 · jan 7, 2010. 7 pin wiring diagram ford f150 forum trailer 2006 f250 truck 2004 lights fuse 2005 f350 toyota 1999 f 250 need 2018 harness diagrams etrailer com plug reverse through gmc 2011 dash for light focus alternator phillips way installation enthusiasts forums guides technical drawings and 350 super duty wire brake controller oem 2002. A wiring diagram usually gives instruction more or less the relative slope and. March 15, 2021 · 7 pin trailer wiring diagram by trafalgar d.
Ford f250 trailer plug wiring diagram from www.ronstoyshop.com.
Dont wiring without us ford 7 pin trailer plug diagram. The purpose is the very same: This 2006 ford f 350 trailer wiring diagram version is much more suitable for sophisticated trailers and rvs. Curt trailer wiring adapter 56070 $ 69. 7 way trailer plug wiring diagram ford f350. 2016 ford f350 trailer wire harness and connector 2009 ford f350 trailer wire harness and connector 2007 ford f350 trailer wire harness and. Print the electrical wiring diagram off and use highlighters to be able to trace the signal. The safety and security of all individuals on or off the road, as well as those operating a mechanized lorry, depends on. Zahlen sie nicht zu viel! Collection of ford f350 trailer wiring diagram. Makes replacing a trailer's connector simple. Curt trailer wiring adapter 56070. Dodge 7 pin trailer wiring diagram wire colors for way connector 92 f250 at rear is the oem pattern 2008 f350 full factory ford truck plug 2011 super duty sel 99 2006 diagrams etrailer com rv net open roads forum class c f 350 1996 guides 96 exterior lamp relay toyota tundra 2004 lights fuse seven 12vdc power f150 2018 installing a blade.
Kitchen Islands Free Standing - Freestanding Kitchen Islands Free Standing Furniture Sigma 3 / Here the team at heidi caillier interior design out of seattle, washington modernized a small old kitchen in a tudor home without forfeiting the abode's true character. . The frame is treated with a white surface, and the top is a beautiful stainless steel countertop. Shop for kitchen islands at northeast factory direct. Shop for freestanding kitchen island online at target. Brick floor, marble backsplash, and sandstone countertops are touches that feel in step with the. Free standing kitchen island dark blue with zebrano butcher block top stiffwoodcraft £ 295.00 free uk. All islands are constructed using 95mm corner posts with the side & end the rails are fully mortise & tenon jointed to them. Building a kitchen island in your kitchen can provide a focal point for socialising and cooking. 0 out of 5 stars, based on 0 reviews current price $61.47 $ 61. Our large...
Memory Foam Mattress For Travel Trailer / Zinus Trifold 10cm Folding Memory Foam Mattress Foldable ... / These mattresses can be a great choice when replacing your current bed, as long as you choose one that is made with quality. . Buying a memory foam mattress doesn't need to be difficult. Memory foam is the best of both worlds for many sleepers. Memory foamtravel mattress topper vw campervan travel bag included. These mattresses can be a great choice when replacing your current bed, as long as you choose one that is made with quality. Recommended memory foam mattresses 2021. See our picks for the best 10 memory foam mattresses in uk. 10 best memory foam mattresses of july 2021. This makes them quite heavy, but they are also incredibly supportive. Before you do, check out these expert tips so you can find the best mattress for you. Rated 4.75 out of 5 based on 12 customer ratings. BE...
Gooseneck Adapter Vs Hitch / 2111 Isr Series Fifth Wheel Hitches By Pullrite - Andersen aluminum vs b&w companion fifth wheel hitches. . Gooseneck vs 5th wheel hitch? Available for select gooseneck hitches, 5th wheel adapter. While you could always replace the gooseneck hitch, you may not want to give up the extra space in your truck bed that a 5th wheel hitch demands. Most adapters connect through the gooseneck ball or your gooseneck hitch ball hole. In this article, you'll find the best ones you can get your hands on. They mount into the bed of the truck. Our optional gooseneck adapters let you quickly switch between towing your fifth wheel and your gooseneck trailer with the same hitch! T built gooseneck hitch adapter 5th wheel to gooseneck adapter installation. Since a tow vehicle and wheeled cargo may not always be compatible, these hitches are used as a convenient solution to the problem. Fifth wheel | blain's farm & fleet blog. ...
Komentar
Posting Komentar